2,54 mm bokshode med stolpekobling
Produkt BHDS07-XXXXXX Attributter Forsyningsevne og tilleggsinformasjon Pakking og levering
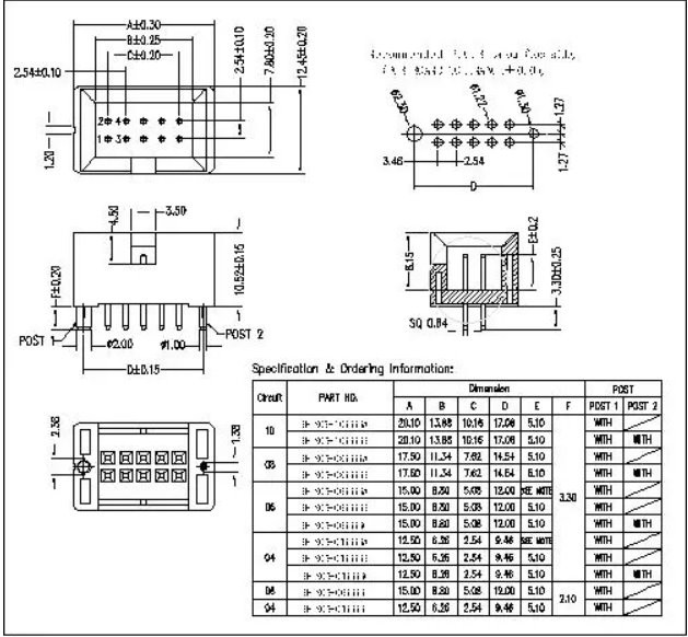
Beskrivelse
Produktegenskaper
Modellnr.: BHDS07-XXXXXX Merke: ANTENK Grensesnitttype: AC/DChus: PlastPin: Messingpoler: Annet Anvendelse: Annet Sertifisering: Annet Kjønn: MannMateriale: Messing Støttekortnummer: Annet Driftsfrekvens: Høy frekvensKlassifisering: Annet
Forsyningsevne og tilleggsinformasjon
Emballasje: posepakking, Rørpakking, spolpakning Produktivitet: 100 000K/måned Transport: Hav, Fly Opprinnelsessted: Kina Forsyningsevne: 100000K/måned Sertifikat: ISO9001HS-kode: 8536909000Betalingstype: T/TOPW, EXFW, EXFW, EXF, CA
Emballasje og levering
Salgsenheter:
Veske/vesker
Pakke type:
posepakking, Rørpakking, snellepakking
Shenzhen Antenk Electronics Co., Ltd. lanserte en 2,54 mm Box Header 180 grader H=10.52 mm med Post Electronics. Den enkle kua er vanligvis sammensatt av en firkantet plastsokkel og et antall firkantede nåler ordnet pent. Forskjellen mellom den enkle kukontakten og hornkontakten er at det enkle hornet fjerner spennene på begge sider.

Spørsmål: Hva er leveringstiden din?
A: Vår ordinære leveringstid er FOB Xiamen. Vi aksepterer også EXW, CFR, CIF, DDP, DDU osv. Vi tilbyr deg fraktkostnadene og du kan velge den som er mest praktisk og effektiv for deg.
Spørsmål: Hva er ettersalgstjenesten din?
A: Vår kvalitetsgarantiperiode er ett år. Ethvert kvalitetsproblem vil bli løst til kundetilfredshet.




Sende bookingforespørsel
Du kommer kanskje også til å like










